QUARZKRISTALLEINHEIT
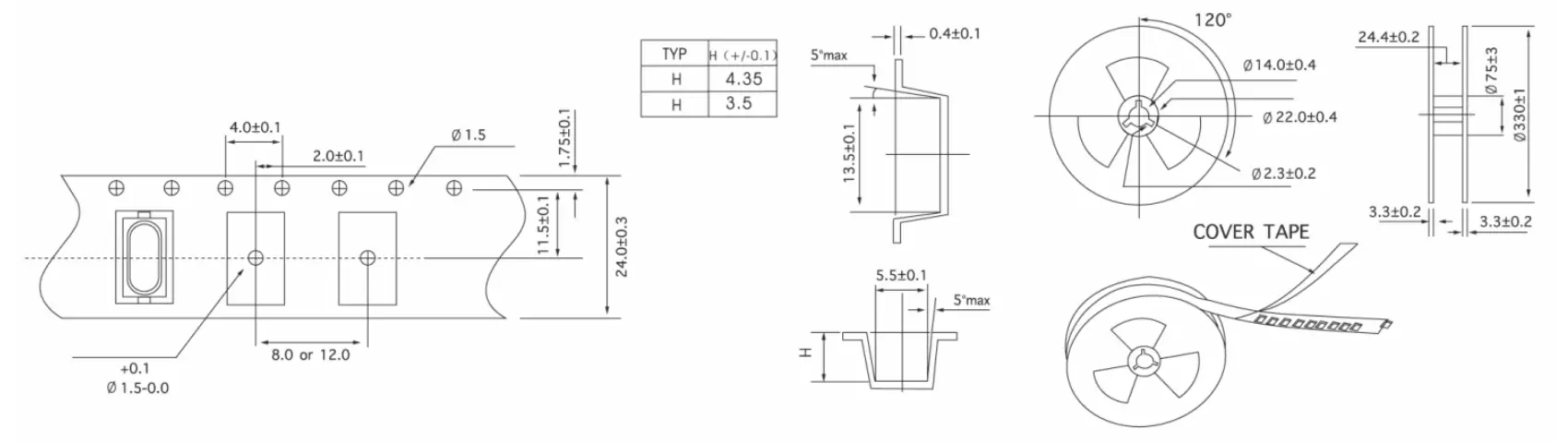
HC-49S/4PD
| TYP | HC-49S/SMD |
| Frequenzbereich | 3,5 MHz bis 125 MHz |
| Kristallschliff | AT;BT |
| Frequenztoleranz (bei 25 °C) | ±5 ppm bis ±30 ppm |
| Frequenz-Temperatur-Charakteristik | "AT:±2,5 ppm (0℃-50℃);+5 ppm (-10℃-60℃);+10 ppm (-20℃-70℃);+30 ppm (-40℃-85℃)"BT:±100 ppm (-20℃-70℃); |
| Lagerzeitbereich | -40℃~+85℃ |
| Äquivalenter Serienwiderstand (ESR) | Siehe Tabelle |
| Lastkapazität (CL) | 4pf~∞ |
| Shuntkapazität (Co) | <5pf |
| Isolationswiderstand | >500 MΩ bei 100 V Gleichstrom |
| Antriebsebene | 1 μW ~100 μW |
| Alter (Jahr) | ±3 ppm (Jahr) |
| Frequenz (MHz) | Modus | ESR(Ω) |
| 3,500 ≤f<4,000 | AT/FUND | 150–100 |
| 4,000 ≤f<6,000 | AT/FUND | 100–60 |
| 6,000 ≤f<10,000 | AT/FUND | 60–50 |
| 10,000≤f<15,000 | AT/FUND | 50–30 |
| 15,000≤f<35,000 | AT/FUND | ≤ 25 |
| 21,000 ≤f<40,000 | BT/FUND | ≤ 40 |
| 25.000 ≤f<100.000 | 3. Oberton | 80~60 |
| Zusätzlich zu den in der Tabelle aufgeführten Parametern kann es gemäß den Kundenbedürfnissen gestaltet werden. | ||

*
*
*