SMD-KHz-Bereich-Quarzeinheit
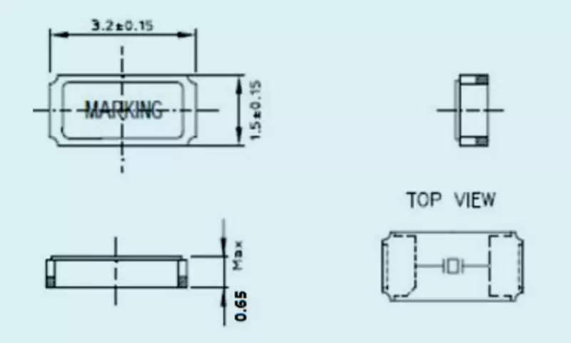
TF8.0x3.8
| Artikel | Serie | 3215 | |
| Ausgabetyp | Fundamental | ||
| Frequenzbereich (F0) | 32,768 kHz | ||
| Frequenzstabilität | +/-20 ppm +/-50 ppm | ||
| Betriebstemperaturbereich (TOPR) | -40℃~+85℃, -40℃~+125°C oder angeben | ||
| Lagertemperaturbereich (TSTG) | -55℃~+125℃ | ||
| Laufwerksebene (DL) | Typisch 0,1 µW, 1 µW max. | ||
| Umsatztemperatur (Ti) | 25℃±5℃ | ||
| Parabolischer Koeffizient (B) | -0,04*10-6/℃2 max | ||
| Lastkapazität (CL) | 7pF, 9pF, 12,5pF oder angeben | ||
| Bewegungswiderstand (ESR) | 60 kΩ max., 70 kΩ max. | ||
| Bewegungskapazität (C1) | 8,4 fF Typ. | ||
| Shuntkapazität (C0) | 1,6 pF Typ | ||
| Frequenzalterung (Erstes Jahr) | 3x10-6/Jahr Max. | ||
| Zusätzlich zu den in der Tabelle aufgeführten Parametern kann es gemäß den Kundenbedürfnissen gestaltet werden. | |||

*
*
*